che ne dite? vi piace?
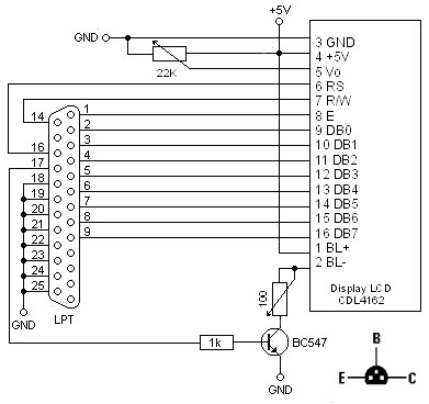
il display è un 16x2 ed è comandato tramite porta parallela con un programmino che gira sotto win lcd smartie.
x chi frequenta pctuner è lo stesso progetto, infatti l'idea a suo tempo partì da me, poi con l'aiuto di Andiby è stato fatto un progettino, lui mi aveva chiesto di fargli vedere che effetto avrebbe avuto e così è nata la sua recensione su pctuner.
è facisilissimo da fare, basta un display compatibile hitachi (non ricordo la sigla), ma anche altri vanno bene, basta vedere il datasheet, un cavo parallelo, un connettore usb maschio(alimentazione) e il software.



